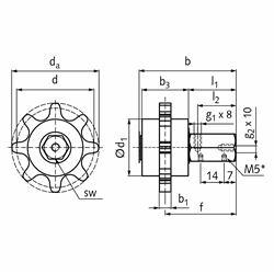
Werkstoff: Körper: offenzelliger PU-Schaum. Achse: Edelstahl. Gleitlagerung. Kettenritzel: PA.
Für Simplex-Rollenketten DIN ISO 606 (ex DIN 8187). Die Rollen aus offenzelligem PU-Schaum übertragen den Schmierstoff punktuell auf die Rollenkettenlaschen. Der Antrieb der Schmierrollen wird durch ein Kunststoffritzel gewährleistet. Die Einbaulage ist beliebig. Die Schmierstoffversorgung kann automatisch oder manuell, z.B. mit einer Fettpresse, erfolgen.
Hinweis: Radiales Schmieranschlussgewinde zur Verwendung mit einem Schlauchanschlussstück oder einem separat erhältlichen Verlängerungsadapter für die Montage mit Reduzierstück und Schmierstoffgeber. Wird ein Reduzierstück in Kombination mit der radialen Achse verwendet, ist die Nutzung eines Verlängerungsadapters zwingend erforderlich, um Kollisionen des Reduzierstücks mit dem PU-Schaum zu vermeiden.
Temperaturbereich: -10°C bis +80°C.
*Befestigungsgewinde für Federblechmontage.
Auf Anfrage: Lieferung auch mit einseitigem oder beidseitigem Federblech zur einfachen Montage möglich.
Service:
Katalogseite
Betriebs / Wartungsanleitung
Die angebotenen CAD-Daten, Abbildungen und technischen Zeichnungen werden mit größtmöglicher Sorgfalt erstellt.
Dennoch kann keine Gewährleistung für die Fehlerfreiheit und Genauigkeit dieser Daten übernommen werden.
Lieferzeit nach Vereinbarung. Bitte fragen Sie nach. )