Werkstoff: Edelstahl 1.4310 (A2).

Zur Befestigung von Schmierapplikatoren mit radialer Achse, primär für Kettenschmierritzel. Sorgt für gleichmäßigen Anpressdruck und konstanten Schmierstoffauftrag. Auch für Schmierzahnräder geeignet, bei Zahnradpaarungen ist jedoch eine feste Lagerung vorzuziehen, da federnde Befestigungen Flankenspiel und ungleichmäßigen Eingriff verursachen können.


Service:

Katalogseite



Die angebotenen CAD-Daten, Abbildungen und technischen Zeichnungen werden mit größtmöglicher Sorgfalt erstellt.
Dennoch kann keine Gewährleistung für die Fehlerfreiheit und Genauigkeit dieser Daten übernommen werden.

( freibleibend aus Lagervorrat / kurzfristig lieferbar / Lieferzeit nach Vereinbarung. Bitte fragen Sie nach. )
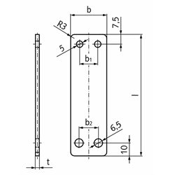
Artikel Menge I
[mm]
b
[mm]
b1
[mm]
b2
[mm]
t
[mm]
Gewicht
[kg]
68057950
1502814150,80,03


zur Gruppe


Impressum AGB Hilfe Datenschutzerklärung Index


MÄDLER on Facebook Facebook MÄDLER on Youtube YouTube MÄDLER on Twitter Twitter MÄDLER on Instagram Instagram MÄDLER on Xingk Xing MÄDLER on Linkedin LinkedIn