Werkstoff: Stahl C45, brüniert. Schraube Stahl 12.9.

Ausführung GA: Mit zwei axialen Befestigungs-Gewindebohrungen.

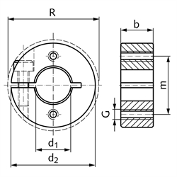
Das Gewinde der Klemmschraube DIN 912 ist mit einer Polyamidschicht überzogen.
Breitentoleranz b: +0,08 mm / -0,25 mm. Temperaturbereich: -40ºC bis +175ºC.

Merkmale: Beschädigen nicht die Welle, größere Haltekräfte als Stellringe, gleichmäßige Verteilung der Klemmkräfte, einfache Neujustierung, absolut präzise Bohrungen.

Vorteile: Die schwarze Oxydschicht auf den Klemmringen aus Stahl ist Teil der gesamten Leistungsfähigkeit. Sie verbessert die Haltekräfte, vermindert effektiv Rutschen auf den Wellen, vermindert Stick-Slip-Effekt und sorgt für die Einhaltung der Auslegung der Schraubendrehmomente. Zusätzlich dient diese Oxydschicht als Korrosionsschutz.


Service:

Katalogseite



Die angebotenen CAD-Daten, Abbildungen und technischen Zeichnungen werden mit größtmöglicher Sorgfalt erstellt.
Dennoch kann keine Gewährleistung für die Fehlerfreiheit und Genauigkeit dieser Daten übernommen werden.

( freibleibend aus Lagervorrat / kurzfristig lieferbar / Lieferzeit nach Vereinbarung. Bitte fragen Sie nach. )
Artikel Menge Ø d1
[mm]
Ø d2
[mm]
Ø Rmax.
[mm]
b
[mm]
Schrauben
DIN 912
m
[mm]
G
[mm]
Gewicht
[g]
62311000GA
1028-9M3 x 1019M333
62311200GA
123031,811M4 x 1221M444
62311400GA
143233,911M4 x 1423M449
62311500GA
153639,413M5 x 1625,5M573
62311600GA
163839,413M5 x 1627M583
62311800GA
184041,213M5 x 1629M590
62312000GA
204246,415M6 x 1631M5107
62312200GA
224648,115M6 x 1634M6130
62312500GA
254850,815M6 x 1636,5M6135
62312800GA
2854-15M6 x 1641M6174
62313000GA
305658,615M6 x 1843M6178
62313200GA
325858,615M6 x 1845M6192
62313500GA
356061,615M6 x 1847,5M6198
62313800GA
3866-15M6 x 1852M6230
62314000GA
4066-15M6 x 1853M6228
62314500GA
457679,419M8 x 2560,5M8384
62315000GA
508284,219M8 x 2566M8433


zur Gruppe


Impressum AGB Hilfe Datenschutzerklärung Index


MÄDLER on Facebook Facebook MÄDLER on Youtube YouTube MÄDLER on Twitter Twitter MÄDLER on Instagram Instagram MÄDLER on Xingk Xing MÄDLER on Linkedin LinkedIn