Werkstoff: Mantel aus Stahl, Kugelkäfig aus Kunststoff.

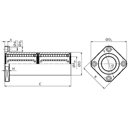
Die Linearkugellager sind zum Anschrauben an Bauteilen geeignet. Über die vier Befestigungsbohrungen im Flansch können die Linearlager direkt z. B. in Maschinen montiert werden. Dadurch ist eine einfache Montage und Austauschbarkeit gegeben.

Die Lager sind werksseitig befettet. Damit das Eindringen von Schmutz und das Austreten des Schmierstoffes verhindert wird, sind die Linearkugellager beidseitig abgedichtet.

Empfohlene Wellentoleranz h6, Gehäusetoleranz H7.

Service:

Katalogseite



Die angebotenen CAD-Daten, Abbildungen und technischen Zeichnungen werden mit größtmöglicher Sorgfalt erstellt.
Dennoch kann keine Gewährleistung für die Fehlerfreiheit und Genauigkeit dieser Daten übernommen werden.

( freibleibend aus Lagervorrat / kurzfristig lieferbar / Lieferzeit nach Vereinbarung. Bitte fragen Sie nach. )
Artikel Menge Fw
[mm]
D
[mm]
D1
[mm]
D3
[mm]
C+/-0,3
[mm]
H
[mm]
d1 x d2 x h
[mm]
K
[mm]
Tragz. dyn C
[N]
Tragz. stat Co
[N]
Gewicht
[g]
64600606VL
61228203553,5 x 6 x 3,12232353030
64600806VL
81632244653,5 x 6 x 3,12542180460
64601206VL
122242326164,5 x 7,5 x 4,1328131570110
64601606VL
162646366864,5 x 7,5 x 4,1359211780160
64602006VL
203254438085,5 x 9 x 5,14213702740260
64602506VL
2540625111285,5 x 9 x 5,15015703140540
64603006VL
30477662123106,6 x 11 x 6,16025005490820
64604006VL
40629880151139 x 14 x 8,175343080401810
64605006VL
507511294192139 x 14 x 8,1886080159002820
64606006VL
60901341122091811 x 17 x 11,11067550200004920


zur Gruppe


Impressum AGB Hilfe Datenschutzerklärung Index


MÄDLER on Facebook Facebook MÄDLER on Youtube YouTube MÄDLER on Twitter Twitter MÄDLER on Instagram Instagram MÄDLER on Xingk Xing MÄDLER on Linkedin LinkedIn