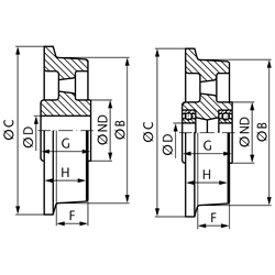
Werkstoff: Grauguss GG25, verzinkt.

Spurkranz und Lauffläche sauber überdreht, Lauffläche zur Achse 3° ansteigend.

Radlagerung mit Kugellagern. Serienmäßige Abdichtung durch Z-Deckscheiben.

Alle Maß- und Gewichtsangaben sind ca.-Werte.

Temperaturbereich: -30º bis +90ºC (kurzzeitig bis +110°C).

Service:

Katalogseite



Die angebotenen CAD-Daten, Abbildungen und technischen Zeichnungen werden mit größtmöglicher Sorgfalt erstellt.
Dennoch kann keine Gewährleistung für die Fehlerfreiheit und Genauigkeit dieser Daten übernommen werden.

( freibleibend aus Lagervorrat / kurzfristig lieferbar / Lieferzeit nach Vereinbarung. Bitte fragen Sie nach. )
Artikel Menge B
[mm]
C
[mm]
H
[mm]
F
[mm]
G
[mm]
ND
[mm]
D
[mm]
Radlast max.
[kg]
KugellagerGewicht
[kg]
77520700
7510040304754208006004 2Z1,3
77521000
100125463652622010006204 2Z2,4
77521200
125145463652622010006204 2Z2,8
77521500
150175463652622010006204 2Z3,5
77521800
180210473652652012006204 2Z4,7
77522000
200230563860902515006305 2Z7,7
77522500
250300655070903020006206 2Z12,8


zur Gruppe


Impressum AGB Hilfe Datenschutzerklärung Index


MÄDLER on Facebook Facebook MÄDLER on Youtube YouTube MÄDLER on Twitter Twitter MÄDLER on Instagram Instagram MÄDLER on Xingk Xing MÄDLER on Linkedin LinkedIn