Werkstoff: Gabel: Stahlblech, verzinkt.
Lauffläche: TPU, thermoplastisches Polyurethan 90 +/-3° Shore A.
Radkörper: Stahl, verschraubt.
Radlagerung: Kugellager.
Schwenklagerung: Zweifacher Kugelkranz.

Für den Innenbereich. Für hohe Belastungen geeignet. Spurlos und abriebfest. Gute Beständigkeit gegen Öl, Fett, Benzin sowie Chemikalien.

Temperaturbereich: -20°C bis +70°C.

Service:

Katalogseite

Zusätzliche Informationen



Die angebotenen CAD-Daten, Abbildungen und technischen Zeichnungen werden mit größtmöglicher Sorgfalt erstellt.
Dennoch kann keine Gewährleistung für die Fehlerfreiheit und Genauigkeit dieser Daten übernommen werden.

( freibleibend aus Lagervorrat / kurzfristig lieferbar / Lieferzeit nach Vereinbarung. Bitte fragen Sie nach. )
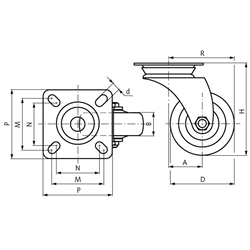
Artikel Menge D
[mm]
B
[mm]
H
[mm]
A
[mm]
R
[mm]
d
[mm]
P
[mm]
M
[mm]
N
[mm]
Tragkraft
[kg]
Gewicht
[kg]
Passende Bockrolle
[Artikel-Nr.]
77771035
3525582037,576048381000,2277773035


zur Gruppe


Impressum AGB Hilfe Datenschutzerklärung Index


MÄDLER on Facebook Facebook MÄDLER on Youtube YouTube MÄDLER on Twitter Twitter MÄDLER on Instagram Instagram MÄDLER on Xingk Xing MÄDLER on Linkedin LinkedIn