Werkstoff: Bronze CuSn12-C-GC (2.1052).

Bevorzugte Einbaulage für Druckkraft: mit dem Flansch nach unten (Druckbelastung auf dem Flansch anstelle von Zugbelastung an den Schrauben).

Service:

Katalogseite

Betriebs / Wartungsanleitung

Zusätzliche Informationen



Die angebotenen CAD-Daten, Abbildungen und technischen Zeichnungen werden mit größtmöglicher Sorgfalt erstellt.
Dennoch kann keine Gewährleistung für die Fehlerfreiheit und Genauigkeit dieser Daten übernommen werden.

( freibleibend aus Lagervorrat / kurzfristig lieferbar / Lieferzeit nach Vereinbarung. Bitte fragen Sie nach. )
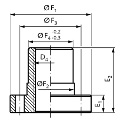
Artikel Menge BaugrösseD4
[mm]
E1
[mm]
E2
[mm]
F1
[mm]
F2h9
[mm]
F3
[mm]
F4
[mm]
Befestigungsbohrung
[mm]
Gewicht
[kg]
Kardanadapter
KARA
[Art.-Nr.]
Adapterkonsole
KONA
[Art.-Nr.]
47500016
0TR. 16x41025452535256 x Ø60,26447012564470225
47500116
1TR. 18x41244482838286 x Ø60,36447012864470228
47500216
2TR. 20x41244553245326 x Ø70,46447013264470232
47500316
3TR. 30x61446623850386 x Ø70,76447013864470238
47500416
4TR. 40x71673956378636 x Ø92,06447016364470263


zur Gruppe


Impressum AGB Hilfe Datenschutzerklärung Index


MÄDLER on Facebook Facebook MÄDLER on Youtube YouTube MÄDLER on Twitter Twitter MÄDLER on Instagram Instagram MÄDLER on Xingk Xing MÄDLER on Linkedin LinkedIn