Werkstoff: Stahl S235, galvanisch verzinkt.

Die Spannschlossmuttern aus nahtlosem Stahlrohr werden mit Querbohrungen gemäß DIN 1478 zur Kontrolle der Mindest-Einschraublänge geliefert.

* Eine Seite Rechtsgewinde, andere Seite Linksgewinde

Service:

Katalogseite



Die angebotenen CAD-Daten, Abbildungen und technischen Zeichnungen werden mit größtmöglicher Sorgfalt erstellt.
Dennoch kann keine Gewährleistung für die Fehlerfreiheit und Genauigkeit dieser Daten übernommen werden.

( freibleibend aus Lagervorrat / kurzfristig lieferbar / Lieferzeit nach Vereinbarung. Bitte fragen Sie nach. )
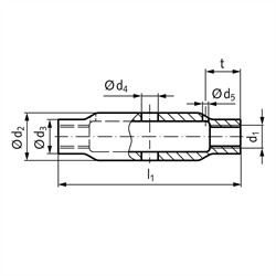
Artikel Menge d1*
[mm]
d2
[mm]
d3
[mm]
d4
[mm]
d5
[mm]
l1
[mm]
t
[mm]
NachstellbarkeitGewicht
[g]
65390600
M617,29641109,590120
65390800
M817,212841101285140
65391000
M1021,315841251495190
65391200
M1225,0181041251790250
65391600
M1630,022,510417022120430
65392000
M2033,72712420026140650
65392400
M2442,432124255311801100
65393000
M3051,038164255381601300


zur Gruppe


Impressum AGB Hilfe Datenschutzerklärung Index


MÄDLER on Facebook Facebook MÄDLER on Youtube YouTube MÄDLER on Twitter Twitter MÄDLER on Instagram Instagram MÄDLER on Xingk Xing MÄDLER on Linkedin LinkedIn