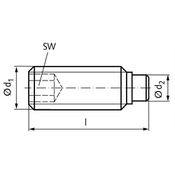
Werkstoff: Schraube: Festigkeitsklasse 12.9 brüniert Bolzen: Messing

Hinweis: Ms-Bolzen eingepresst. Zum schonenden Klemmen oder Andrücken von Gewindespindeln, Achsen, Wellen und oberflächenbehandelten Teilen. Temperaturbereich: -60 ° C bis +350 ° C.

Service:

Katalogseite



Die angebotenen CAD-Daten, Abbildungen und technischen Zeichnungen werden mit größtmöglicher Sorgfalt erstellt.
Dennoch kann keine Gewährleistung für die Fehlerfreiheit und Genauigkeit dieser Daten übernommen werden.

( freibleibend aus Lagervorrat / kurzfristig lieferbar / Lieferzeit nach Vereinbarung. Bitte fragen Sie nach. )
Artikel Menge d1
[mm]
l
[mm]
d2
[mm]
SW
[mm]
Gewicht
[g]
65460406
M 46,52,52,00,5
65460410
M 410,52,52,00,8
65460508
M 58,53,02,50,9
65460512
M 512,53,02,51,4
65460611
M 611,54,03,01,7
65460617
M 617,54,03,02,5
65460812
M 812,05,54,02,7
65460822
M 822,05,54,06,1
65461014
M 1014,07,05,05,6
65461018
M 1018,07,05,07,2


zur Gruppe


Impressum AGB Hilfe Datenschutzerklärung Index


MÄDLER on Facebook Facebook MÄDLER on Youtube YouTube MÄDLER on Twitter Twitter MÄDLER on Instagram Instagram MÄDLER on Xingk Xing MÄDLER on Linkedin LinkedIn