Werkstoff Ausführung N: Griffteil Kunststoff (Duroplast). Umlenkmechanik aus Edelstahl 1.4305.

Der Zylindergriff ist drehbar (Typ 598).

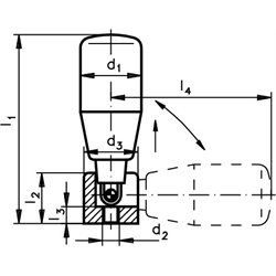
Umleggriffe werden eingesetzt, wenn der Griff zeitweilig nicht vorstehen darf. Hierzu wird der Ballengriff in Achsrichtung aus dem Kegelsitz gezogen und dann umgeklappt. Eine Druckfeder bewirkt, dass der Griff in beiden Endlagen gehalten wird. Beim Zurückklappen rastet der Griff selbsttätig in den Kegelsitz ein und ist dann fest arretiert.

Service:

Katalogseite



Die angebotenen CAD-Daten, Abbildungen und technischen Zeichnungen werden mit größtmöglicher Sorgfalt erstellt.
Dennoch kann keine Gewährleistung für die Fehlerfreiheit und Genauigkeit dieser Daten übernommen werden.

( freibleibend aus Lagervorrat / kurzfristig lieferbar / Lieferzeit nach Vereinbarung. Bitte fragen Sie nach. )
Artikel Menge Ausführungd1
[mm]
d2
[mm]
d3
[mm]
l1
[mm]
l2
[mm]
l3 -0,5
[mm]
l4
[mm]
Gewicht
[g]
66399201
N26M62010219,5695134
66399202
N28M82611826,010106214


zur Gruppe


Impressum AGB Hilfe Datenschutzerklärung Index


MÄDLER on Facebook Facebook MÄDLER on Youtube YouTube MÄDLER on Twitter Twitter MÄDLER on Instagram Instagram MÄDLER on Xingk Xing MÄDLER on Linkedin LinkedIn