Werkstoff: Edelstahl 1.4301 (V2A).
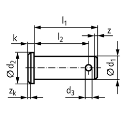
Bolzen zur Übertragung von radialen Kräften mit gelegentlichen Schwenkbewegungen, wie z.B. in Gabelgelenken. Mit Splintloch für einen Einmal-Splint DIN EN ISO 1234 (ex DIN 94) oder Dauersplint (Federstecker). Zur Verwendung mit einer Unterlegscheibe DIN EN ISO 7089 (ex DIN 125 A). Der Splint dient nur zur Sicherung gegen Verlust. Nicht für axiale Belastung.
                
            
                    
                        Service: 
                        Katalogseite
 
                               
                        
                        
                        Die angebotenen CAD-Daten, Abbildungen und technischen Zeichnungen werden mit größtmöglicher Sorgfalt erstellt.
Dennoch kann keine Gewährleistung für die Fehlerfreiheit und Genauigkeit dieser Daten übernommen werden.
                         
                     
                          
          Lieferzeit nach Vereinbarung. Bitte fragen Sie nach. )