Werkstoff: Naben aus Edelstahl 1.4305, V2A (1.4571, AISI 316 Ti 
 auf Anfrage). Zahnkranz aus Polyurethan, gelb, Shore-Härte 92°A. 
 Ersatz-Zahnringe wahlweise in Shore-Härte 92°A (gelb), 98°A (rot) oder 
 64°D (grün). Fertigbohrungen und Passfedernuten gegen Mehrpreis. 
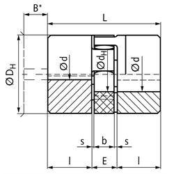
 Temperaturbereich: -20 ° C bis +80 ° C. B* ist das Mittelmaß, um welches 
 z. B. eine Arbeits- oder Antriebsmaschine verschoben werden muss, um 
 eines der gekuppelten Aggregate senkrecht ausbauen zu können. Gewichte 
 beziehen sich auf die max. Fertigbohrung ohne Nuten.
 
                
            
                    
                          
          Lieferzeit nach Vereinbarung. Bitte fragen Sie nach. )