Werkstoff: Edelstahl 1.4301 (V2A).

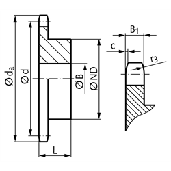
Zähne gefräst, Bohrungen vorgebohrt. Allgemeine Abmessungen: B1 = 5,3 mm, c = 1,0 mm, r3 = 10 mm. Weitere Abmessungen siehe Tabelle.

Service:

Katalogseite



Die angebotenen CAD-Daten, Abbildungen und technischen Zeichnungen werden mit größtmöglicher Sorgfalt erstellt.
Dennoch kann keine Gewährleistung für die Fehlerfreiheit und Genauigkeit dieser Daten übernommen werden.

( freibleibend aus Lagervorrat / kurzfristig lieferbar / Lieferzeit nach Vereinbarung. Bitte fragen Sie nach. )
Artikel Menge Zähnezahlda
[mm]
d
[mm]
ND
[mm]
B
[mm]
L
[mm]
Gewicht
[g]
10199112
1240,036,8025825101
10199113
1343,039,79281025123
10199114
1446,342,80311025152
10199115
1549,345,81341025188
10199116
1652,348,82371028241
10199117
1755,351,83401028287
10199118
1858,354,85431028331
10199119
1961,357,87451028370
10199120
2064,360,89461028380
10199121
2168,063,91481228391
10199122
2271,066,93501228456
10199123
2373,569,95521228502
10199124
2477,072,97541228544
10199125
2580,076,00571228592
10199128
2889,085,07601228694
10199130
3094,791,12601228787
10199132
32101,397,17651430890
10199138
38119,5115,357016301109
10199140
40125,5121,407016301160


zur Gruppe


Impressum AGB Hilfe Datenschutzerklärung Index


MÄDLER on Facebook Facebook MÄDLER on Youtube YouTube MÄDLER on Twitter Twitter MÄDLER on Instagram Instagram MÄDLER on Xingk Xing MÄDLER on Linkedin LinkedIn