Werkstoff: Elastomer: NBR. Versteifungsring und Zugfeder aus Stahl.
• Nach DIN 3760 Form AS bzw. ISO 6194-1 Typ 0 und in vielen weiteren Abmessungen.
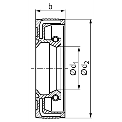
• Mit einer Dichtlippe und Staublippe.
• Für öl- und fettgeschmierte Anwendungen.
• Für hohe Drehzahlen, Umfangsgeschwindigkeit bis 14m/s.
Empfohlene Toleranzen: Aufnahmebohrung H8, Wellen-Ø h11, Wellenrauheit Ra 0,2 bis 0,8 μm.
Temperaturbereich: -40°C bis +100°C (kurzzeitig bis +120°C).

Service:

Katalogseite



Die angebotenen CAD-Daten, Abbildungen und technischen Zeichnungen werden mit größtmöglicher Sorgfalt erstellt.
Dennoch kann keine Gewährleistung für die Fehlerfreiheit und Genauigkeit dieser Daten übernommen werden.

( freibleibend aus Lagervorrat / kurzfristig lieferbar / Lieferzeit nach Vereinbarung. Bitte fragen Sie nach. )
Artikel Menge d1
[mm]
d2
[mm]
b
[mm]
Gewicht
[g]
64790524
122273,6
64790525
122473,8
64790527
122875,3
64790535
152473,3
64790538
152674,0
64790541
153578,5
64790553
173076,0
64790555
173578,5
64790557
1740710,9
64790561
183075,5
64790563
183577,9
64790571
203075,5
64790573
203276,3
64790576
203578,7
64790582
2040710,5
64790584
2042711,7
64790587
2047715,2
64790589
2052717,9
64790593
223275,7
64790594
223577,0
64790602
2247715,2
64790606
243576,7
64790608
244079,6
64790618
254079,0
64790623
2542710,1
64790629
2547713,2
64790635
2562725,5
64790651
284078,0
64790657
2847714,1
64790661
304077,4
64790664
304278,3
64790676
3050713,8
64790678
3052715,5
64790681
3055717,5
64790682
30551022,1
64790683
3062723,4
64790684
30621026,9
64790685
30721037,5
64790686
324277,4
64790692
3247711,0
64790698
3252714,4
64790711
354578,3
64790713
3547710,2
64790717
3550712,4
64790720
3552713,6
64790722
35521017,7
64790724
3555715,4
64790726
35551022,5
64790730
3562721,3
64790734
35721038,6
64790760
4052712,8
64790762
4055713,6
64790769
40601026,9
64790771
4062718,9
64790773
40621024,7
64790782
40801042,4
64790810
4562717,0
64790812
45621022,1
64790820
4575830,1
64790822
45801046,2
64790823
45851047,0
64790835
5062712,8
64790837
5065818,0
64790842
5072823,6
64790843
50721032,1
64790846
5080831,6
64790847
50801043,4
64790849
50901058,5


zur Gruppe


Impressum AGB Hilfe Datenschutzerklärung Index


MÄDLER on Facebook Facebook MÄDLER on Youtube YouTube MÄDLER on Twitter Twitter MÄDLER on Instagram Instagram MÄDLER on Xingk Xing MÄDLER on Linkedin LinkedIn