Werkstoff: Elastomer: NBR. Versteifungsring und Zugfeder aus Stahl.
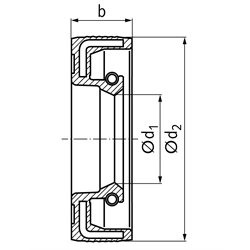
• Nach DIN 3760 Form A bzw. ISO 6194-1 Typ 1
und in vielen weiteren Abmessungen.
• Gebräuchlichste Bauart, mit einer Dichtlippe.
• Für öl- und fettgeschmierte Anwendungen.
• Für hohe Drehzahlen, Umfangsgeschwindigkeit bis 14m/s.
Empfohlene Toleranzen: Aufnahmebohrung H8, Wellen-Ø h11, Wellenrauheit Ra 0,2 bis 0,8 μm.
Temperaturbereich: -40°C bis +100°C (kurzzeitig bis +120°C).
Service:
Katalogseite
Die angebotenen CAD-Daten, Abbildungen und technischen Zeichnungen werden mit größtmöglicher Sorgfalt erstellt.
Dennoch kann keine Gewährleistung für die Fehlerfreiheit und Genauigkeit dieser Daten übernommen werden.
Lieferzeit nach Vereinbarung. Bitte fragen Sie nach. )