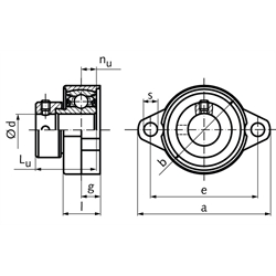
Werkstoff: Gehäuse aus Zinkdruckguss. Lagereinsatz aus Wälzlagerstahl.

Der Lagereinsatz kann im Gehäuse geschwenkt werden, um Fluchtungsfehler bei der Montage auszugleichen. Der Exzenterring und der Lagerinnenring werden bei der Montage gegeneinander gedreht und mit der Welle verspannt. Über 1 Stellschraube wird der Exzenterring zusätzlich auf der Welle gesichert. Das Lager ist für normale Betriebsverhältnisse lebensdauergeschmiert.

1) Max. radiale Belastbarkeit bei Axialkraft = 0. Die axiale Tragzahl beträgt ca. 20% der radialen Tragzahl.

Service:

Katalogseite

Zusätzliche Informationen



Die angebotenen CAD-Daten, Abbildungen und technischen Zeichnungen werden mit größtmöglicher Sorgfalt erstellt.
Dennoch kann keine Gewährleistung für die Fehlerfreiheit und Genauigkeit dieser Daten übernommen werden.

( freibleibend aus Lagervorrat / kurzfristig lieferbar / Lieferzeit nach Vereinbarung. Bitte fragen Sie nach. )
Artikel Menge Nr.d
[mm]
a
[mm]
b
[mm]
e
[mm]
g
[mm]
l
[mm]
s
[mm]
Lu
[mm]
nu
[mm]
Lager Tragzahlen1)
dyn. C
[kN]
Lager Tragzahlen1)
stat. Co
[kN]
Gewicht
[g]
62671000
000106036455,511,5717,544,61,9860
62671200
001126338485,511,5717,545,12,2770
62671500
002156742536,513718,54,55,62,5590
62671700
00317714656714721,056,02,84110
62672000
004209055718161025,569,354,55210
62672500
005259560758161025,5610,15,05220


zur Gruppe


Impressum AGB Hilfe Datenschutzerklärung Index


MÄDLER on Facebook Facebook MÄDLER on Youtube YouTube MÄDLER on Twitter Twitter MÄDLER on Instagram Instagram MÄDLER on Xingk Xing MÄDLER on Linkedin LinkedIn