Werkstoff: Edelstahl.

Leichte Kugelrolle für geringe Belastungen. Einbaulage: Kugel oben oder seitlich. Mit Filzdichtung und Ablaufbohrung.

Max. Geschwindigkeit 1m/sec.Temperaturbereich -20°C bis +70°C.

1) Langloch.



Allgemeine Hinweise: Auf einer Kugelrollbahn tragen aufgrund von Unebenheiten oft nur drei Rollen. Daher ist eine Tragzahl zu wählen, die mindestens einem Drittel der Last entspricht. Maximaler Abstand der Kugelrollen = Kantenlänge des Objekts geteilt durch 2,5.

Service:

Katalogseite



Die angebotenen CAD-Daten, Abbildungen und technischen Zeichnungen werden mit größtmöglicher Sorgfalt erstellt.
Dennoch kann keine Gewährleistung für die Fehlerfreiheit und Genauigkeit dieser Daten übernommen werden.

( freibleibend aus Lagervorrat / kurzfristig lieferbar / Lieferzeit nach Vereinbarung. Bitte fragen Sie nach. )
Artikel Menge Größe
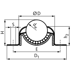
Ø dw
[mm]
Tragzahl
[N]
Ø D
[mm]
D1
[mm]
E
[mm]
H
[mm]
h2
[mm]
S1)
[mm]
Anzahl SGewicht
[kg]
65438726
25,45504569 x 5155,9 - 60,330,424,1Ø5,5 x 7,720,155


zur Gruppe


Impressum AGB Hilfe Datenschutzerklärung Index


MÄDLER on Facebook Facebook MÄDLER on Youtube YouTube MÄDLER on Twitter Twitter MÄDLER on Instagram Instagram MÄDLER on Xingk Xing MÄDLER on Linkedin LinkedIn