Werkstoff Ausf. 376: Gehäuse: Stahl verzinkt.  Kugelpfanne: Stahl einsatzgehärtet.  Kugel: Stahl 100Cr6 gehärtet.

Mittelschwere Kugelrolle für mittlere Belastungen.
Einbaulage: Kugel oben oder seitlich. Ab Größe 22 mit Filzdichtung.
Ohne Ablaufbohrungen. Max. Geschwindigkeit 1,5m/sec. Temperaturbereich -30°C bis +100°C.

Allgemeine Hinweise: Auf einer Kugelrollbahn tragen aufgrund von Unebenheiten oft nur drei Rollen.
Daher ist eine Tragzahl zu wählen, die mindestens einem Drittel der Last entspricht.
Maximaler Abstand der Kugelrollen = Kantenlänge des Objekts geteilt durch 2,5.

Service:

Katalogseite



Die angebotenen CAD-Daten, Abbildungen und technischen Zeichnungen werden mit größtmöglicher Sorgfalt erstellt.
Dennoch kann keine Gewährleistung für die Fehlerfreiheit und Genauigkeit dieser Daten übernommen werden.

( freibleibend aus Lagervorrat / kurzfristig lieferbar / Lieferzeit nach Vereinbarung. Bitte fragen Sie nach. )
Artikel Menge Größe
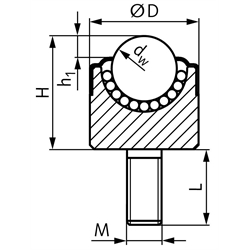
Ø dw
[mm]
Tragzahl
[N]
Ø D
[mm]
H
[mm]
h1
[mm]
L
[mm]
M
[mm]
Gewicht
[kg]
65437615
1560025265,020,0M8 x 1,250,083
65437619
1975030264,820,5M8 x 1,250,106
65437622
2218003637,54,525,4M12 x 1,750,256
65437630
3035004543,86,525,4M12 x 1,750,440


zur Gruppe


Impressum AGB Hilfe Datenschutzerklärung Index


MÄDLER on Facebook Facebook MÄDLER on Youtube YouTube MÄDLER on Twitter Twitter MÄDLER on Instagram Instagram MÄDLER on Xingk Xing MÄDLER on Linkedin LinkedIn