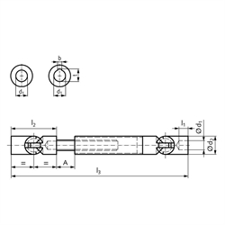
Werkstoff: Stahl 11SMnPb30K. Max. Ablenkungswinkel pro Gelenk 35° . Temperaturbereich: -70° C bis +160° C. Die Kugelgelenkwellen LW sind einfache Gleitlagerelemente und können nur bei niederen Drehzahlen eingesetzt werden. Von -70° bis +160° C einsetzbar.

Wahlweise beidseitig ohne Nut oder beidseitig mit Passfedernut nach DIN 6885-1. Die Querbohrung am Nutende ist fertigungsbedingt erforderlich.

Service:

Katalogseite

Zusätzliche Informationen



Die angebotenen CAD-Daten, Abbildungen und technischen Zeichnungen werden mit größtmöglicher Sorgfalt erstellt.
Dennoch kann keine Gewährleistung für die Fehlerfreiheit und Genauigkeit dieser Daten übernommen werden.

( freibleibend aus Lagervorrat / kurzfristig lieferbar / Lieferzeit nach Vereinbarung. Bitte fragen Sie nach. )
Artikel Menge d1H7
[mm]
d2
[mm]
l1
[mm]
l2
[mm]
l3 min.
[mm]
l3 max.
[mm]
A
[mm]
bP9
[mm]
t
[mm]
ProfilDrehmoment max.
[Nm]
Gewicht
[kg]
63152000
1020135020027070--11x14200,50
63152000N
1020135020027070311,411x14200,50
63152400
1224146022029575--11x14300,65
63152400N
1224146022029575413,811x14300,65
63152800
1428177025033080--16x20500,95
63152800N
1428177025033080516,316x20500,95
63153200
1632198028037090--16x20601,38
63153200N
1632198028037090518,316x20601,38
63153600
1836229030038585--18x221201,90
63153600N
1836229030038585620,818x221201,90
63154000
204024100350460110--21x251602,75
63154000N
204024100350460110622,821x251602,75
63154500
224526110400540140--21x252004,0
63154500N
224526110400540140624,821x252004,0
63155000
255030125400500100--28x322904,8
63155000N
255030125400500100828,328x322904,8
63155500
305535135450550100--28x324406,7
63155500N
305535135450550100833,328x324406,7
63156000
356042165500600100--36x425208,9
63156000N
3560421655006001001038,336x425208,9
63156500
406546190550650100--36x4270011,4
63156500N
4065461905506501001243,336x4270011,4
63157000
457052210630750120--44x5282015,5
63157000N
4570522106307501201448,344x5282015,5
63158000
508058230700840140--50x5893018


zur Gruppe


Impressum AGB Hilfe Datenschutzerklärung Index


MÄDLER on Facebook Facebook MÄDLER on Youtube YouTube MÄDLER on Twitter Twitter MÄDLER on Instagram Instagram MÄDLER on Xingk Xing MÄDLER on Linkedin LinkedIn