Werkstoff: Stahl 11SMn30 (1.0715). Max. Ablenkungswinkel 35° . Temperaturbereich: -70° C bis +160° C.

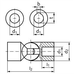
Wahlweise beidseitig ohne Nut oder beidseitig mit Passfedernut nach DIN 6885-1. Die Querbohrung am Nutende ist fertigungsbedingt erforderlich.

Die Kugelgelenke RW sind einfache Gleitlagerelemente und können nur bei niederen Drehzahlen eingesetzt werden. Die jeweils zulässigen Höchstdrehzahlen sind abhängig von Ablenkungswinkel und Belastung, sollten jedoch 500 /min möglichst nicht überschreiten. Die in den Tabellen aufgeführten Md max.-Werte stellen Größenwerte dar, die ebenfalls nicht überschritten werden dürfen. Sie sind in voller Höhe nur bei Aussetzbetrieb bzw. bei kleinen Drehzahlen und Beugungswinkeln zulässig. Von -70° bis +160° C einsetzbar.

Service:

Katalogseite

Zusätzliche Informationen



Die angebotenen CAD-Daten, Abbildungen und technischen Zeichnungen werden mit größtmöglicher Sorgfalt erstellt.
Dennoch kann keine Gewährleistung für die Fehlerfreiheit und Genauigkeit dieser Daten übernommen werden.

( freibleibend aus Lagervorrat / kurzfristig lieferbar / Lieferzeit nach Vereinbarung. Bitte fragen Sie nach. )
Artikel Menge d1H7
[mm]
d2
[mm]
l1
[mm]
l2
[mm]
bP9
[mm]
t
[mm]
Drehmoment max.
[Nm]
Gewicht
[kg]
63131300
6131035--60,03
63131600
8161040--80,05
63131600N
81610402980,05
63132000
10201350--200,09
63132000N
10201350311,4200,09
63132400
12241460--300,14
63132400N
12241460413,8300,14
63132800
14281770--500,24
63132800N
14281770516,3500,24
63133200
16321980--600,36
63133200N
16321980518,3600,36
63133600
18362290--1200,52
63133600N
18362290620,81200,52
63134000
204024100--1600,71
63134000N
204024100622,81600,71
63134500
224526110--2001,1
63134500N
222226110624,82001,1
63135000
255030125--2901,3
63135000N
255030125828,32901,3
63135500
305535135--4401,7
63135500N
305535135833,34401,7
63136000
356042165--5202,2
63136000N
3560421651038,35202,2
63136500
406546190--7003,0
63136500N
4065461901243,37003,0
63137000
457052210--8204,3
63137000N
4570522101448,88204,3


zur Gruppe


Impressum AGB Hilfe Datenschutzerklärung Index


MÄDLER on Facebook Facebook MÄDLER on Youtube YouTube MÄDLER on Twitter Twitter MÄDLER on Instagram Instagram MÄDLER on Xingk Xing MÄDLER on Linkedin LinkedIn