Werkstoff: Griffrohr Ø28mm x 2 mm aus Edelstahl 1.4305 (V2A), seidenmatt glänzend geschliffen. Füße aus Edelstahl-Feinguss 1.4308 (V2A), matt gestrahlt. Sehr hohe Stabilität bei kleinen Baumaßen. Verbindung zwischen Rohr und Fuß gegen Spritzwasser abgedichtet. Sonderlängen auf Anfrage.

Service:

Katalogseite



Die angebotenen CAD-Daten, Abbildungen und technischen Zeichnungen werden mit größtmöglicher Sorgfalt erstellt.
Dennoch kann keine Gewährleistung für die Fehlerfreiheit und Genauigkeit dieser Daten übernommen werden.

( freibleibend aus Lagervorrat / kurzfristig lieferbar / Lieferzeit nach Vereinbarung. Bitte fragen Sie nach. )
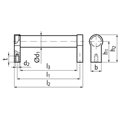
Artikel Menge l1+1
[mm]
d1
[mm]
d2
[mm]
b
[mm]
h1
[mm]
h2
[mm]
l2
[mm]
l3
[mm]
tmin.
[mm]
Gewicht
[g]
66699552
20028M825506621418615500
66699554
25028M825506626423615565
66699556
30028M825506631428615630
66699558
40028M825506641438615760
66699560
50028M825506651448615890
66699562
60028M8255066614586151020


zur Gruppe


Impressum AGB Hilfe Datenschutzerklärung Index


MÄDLER on Facebook Facebook MÄDLER on Youtube YouTube MÄDLER on Twitter Twitter MÄDLER on Instagram Instagram MÄDLER on Xingk Xing MÄDLER on Linkedin LinkedIn