Werkstoff: Naben 11SMnPb 37, ab Ø55 mm CK45. Feder: Federstahl Sorte C. Hochelastische Ganzmetallkupplungen, vollkommen wartungsfrei. Temperaturbereich Stahl-Ausführung: -40 °C bis +100 °C. Federkörper aus 3 gegenläufigen Lagen, in die Anschlussnaben eingelötet. Für beide Drehrichtungen geeignet. Die Verdrehsicherung kann durch Passfeder oder Verstiftung erfolgen. Schwingungen und Stöße werden weitgehend absorbiert. Der Achsversatz ist abhängig von Kupplungsgröße und Kupplungslänge. Fertigbohrung und Passfedernut gegen Mehrpreis.

Service:

Katalogseite

Zusätzliche Informationen



Die angebotenen CAD-Daten, Abbildungen und technischen Zeichnungen werden mit größtmöglicher Sorgfalt erstellt.
Dennoch kann keine Gewährleistung für die Fehlerfreiheit und Genauigkeit dieser Daten übernommen werden.

( freibleibend aus Lagervorrat / kurzfristig lieferbar / Lieferzeit nach Vereinbarung. Bitte fragen Sie nach. )
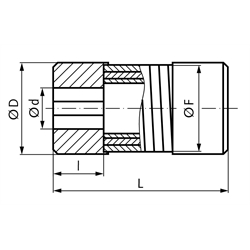
Artikel Menge Drehmoment max.
[Nm]
Ausführung
[Länge]
Werkstoffd vorgebohrt
[mm]
d max. f. Stift
[mm]
d max. f. Nut
[mm]
L
[mm]
D
[mm]
F
[mm]
l
[mm]
Drehzahlen max.
[min -1]
Gewicht
[kg]
60201600
2,5SStahl2,5610251715,58200000,032
60201700
2,5MStahl2,5610301715,58200000,036
60201800
2,5LStahl2,5610351715,58200000,039
60200500
5SStahl3,512835211910150000,065
60200600
5MStahl3,512845211910150000,075
60200700
5LStahl3,512850211910150000,080
60201000
10SStahl5,5151250262415120000,130
60201100
10MStahl5,5151260262415120000,150
60201200
10LStahl5,5151270262415120000,170
60201300
10SStahl5,5191450302815100000,170
60201400
10MStahl5,5191460302815100000,190
60201500
10LStahl5,5191470302815100000,210
60202000
20SStahl5,520166535322090000,310
60202100
20MStahl5,520168035322090000,360
60202200
20LStahl5,520169035322090000,390
60202300
20SStahl5,525196538362030000,350
60202400
20MStahl5,525198038362030000,400
60202500
20LStahl5,525199038362030000,430
60204000
40SStahl5,527208045402570000,650
60204100
40MStahl5,527209545402570000,710
60204200
40LStahl5,5272011045402570000,790
60204300
40SStahl5,531248048452570000,690
60204400
40MStahl5,531249548452570000,770
60204500
40LStahl5,5312411048452570000,850
60209000
90SStahl5,5342510055503160001,190
60209100
90MStahl5,5342512055503160001,340
60209200
90LStahl5,5342514055503160001,500
60211000
90SStahl5,5352810055523160001,140
60211100
90MStahl5,5352812055523160001,290
60211200
90LStahl5,5352814055523160001,460
60215000
150SStahl5,5403012565603750002,070
60215100
150MStahl5,5403015065603750002,350
60215200
150LStahl5,5403017565603750002,650
60222000
220SStahl5,5453515075704445003,350
60222100
220MStahl5,5453518075704445003,870
60222200
220LStahl5,5453521075704445004,350
60230000
300SStahl21,0504017080755030004,160
60230100
300MStahl21,0504020080755030004,690
60230200
300LStahl21,0504024080755030005,390
60250000
500SStahl24,06450210100956215008,080
60250100
500MStahl24,06450250100956215009,180
60250200
500LStahl24,064503001009562150010,650


zur Gruppe


Impressum AGB Hilfe Datenschutzerklärung Index


MÄDLER on Facebook Facebook MÄDLER on Youtube YouTube MÄDLER on Twitter Twitter MÄDLER on Instagram Instagram MÄDLER on Xingk Xing MÄDLER on Linkedin LinkedIn