Werkstoff: Stahl. Spannsatz für mittelhohe Drehmomente, nicht selbstzentrierend.

Passungen: Welle h8, Nabe H8. Rautiefe Rz: max. 12,5 µm.

Montage: Spannsatz leicht geölt einbauen. Kein MoS2 oder Fett verwenden. Schrauben gegenüberliegend versetzt in mehreren Stufen auf Anziehmoment anziehen.

Demontage: Durch die großen Kegelwinkel löst sich der Spannsatz nach dem Lösen der Schrauben von selbst. Zum Entfernen des vorderen Ringes sind an den verzinkten Schrauben 3 größere Gewindegänge vorhanden, die in den vorderen Ring eingreifen.


Service:

Katalogseite



Die angebotenen CAD-Daten, Abbildungen und technischen Zeichnungen werden mit größtmöglicher Sorgfalt erstellt.
Dennoch kann keine Gewährleistung für die Fehlerfreiheit und Genauigkeit dieser Daten übernommen werden.

( freibleibend aus Lagervorrat / kurzfristig lieferbar / Lieferzeit nach Vereinbarung. Bitte fragen Sie nach. )
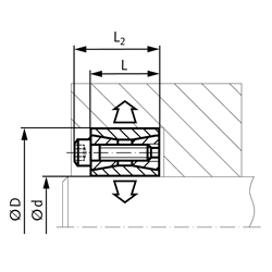
Artikel Menge d
[mm]
D
[mm]
L
[mm]
L2
[mm]
Übertragbares Drehmoment T
[Nm]
Übertragbare Axialkraft Fax
[kN]
Flächenpressung Nabe P
[N/mm²]
Schrauben
[DIN 912]
Anzugsmoment TA
[Nm]
Gewicht
[kg]
61551400
1442202618026978 x M6150,18
61551500
15422026200271018 x M6150,18
61551600
1644202620526998 x M6150,18
61551700
1744202622026938 x M6150,18
61551800
1847202623025828 x M6150,22
61551900
1947202627028938 x M6150,22
61552000
2047202629029988 x M6150,22
61552200
2247202629029908 x M6150,21
61552400
24502026380321038 x M6150,21
61552500
25502026400321008 x M6150,23
61552800
285520265203610410 x M6150,27
61553000
30552026520369910 x M6150,26
61553200
326020266904211212 x M6150,28
61553500
356020267704311312 x M6150,30
61553800
386520269404911614 x M6150,33
61554000
406520269804911514 x M6150,32
61554200
4275243215607512912 x M8370,57
61554500
4575243217007612712 x M8370,55
61554800
4880243218307412212 x M8370,60
61555000
5080243218307511812 x M8370,56
61555500
5585243224908914014 x M8370,65
61556000
6090243226409212614 x M8370,66
61556500
6595243232409913616 x M8370,72
61557000
701102838470012413514 x M10701,27
61557500
751152838480013511914 x M10701,33
61558000
801202838540013712414 x M10701,35
61558500
851252838630014613016 x M10701,45
61559000
901302838650014812416 x M10701,55
61559500
951352838780016513418 x M10701,65
61560000
1001453345956018713514 x M121272,20


zur Gruppe


Impressum AGB Hilfe Datenschutzerklärung Index


MÄDLER on Facebook Facebook MÄDLER on Youtube YouTube MÄDLER on Twitter Twitter MÄDLER on Instagram Instagram MÄDLER on Xingk Xing MÄDLER on Linkedin LinkedIn