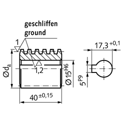
Werkstoff: Stahl 11SMn30 (1.0715), rissgeprüft, einsatzgehärtet HV620-700, geschliffen. Eingriffswinkel 15°. Bitte beachten: Diese Schnecken können nur mit Rädern des gleichen Achsabstandes und mit dem gleichen Übersetzungsverhältnis zum Satz kombiniert werden. Für den Getriebebau ist nur die Stiftlochbohrung zu erweitern. Daher schnelle Montage möglich. Die Werte für den Wirkungsgrad sind Richtwerte, da Lagerung, Schmierung, Drehzahl und Einbau den Wirkungsgrad zusätzlich zum Steigungswinkel beeinflussen.

Service:

Katalogseite

Katalogseite

Betriebs / Wartungsanleitung

Zusätzliche Informationen



Die angebotenen CAD-Daten, Abbildungen und technischen Zeichnungen werden mit größtmöglicher Sorgfalt erstellt.
Dennoch kann keine Gewährleistung für die Fehlerfreiheit und Genauigkeit dieser Daten übernommen werden.

( freibleibend aus Lagervorrat / kurzfristig lieferbar / Lieferzeit nach Vereinbarung. Bitte fragen Sie nach. )
Artikel Menge Übersetzung i
[bei Achsabstand 50mm]
Übersetzung i
[bei Achsabstand 53mm]
Übersetzung i
[bei Achsabstand 63mm]
Übersetzung i
[bei Achsabstand 65mm]
ModulGangzahlda
[mm]
Steigungswinkel
[°]
Wirkungsgrad
[Eta]
Gewicht
[g]
32310400
4,25 : 14,75 : 16 : 16,25 : 13,5439,1025º 51’0,80200
32310600
6 : 16,67 : 1--3,5338,8019º 17’0,77180
32310900
8,66 : 19,67 : 112 : 112,66 : 12,5336,2913º 52’0,72176
32311300
12 : 113,5 : 1--2,75236,0010º 23’0,66156
32311500
13,5 : 115 : 1--2,5234,909º 38’0,65160
32312100
19 : 121 : 126 : 128 : 13,5139,006º 17’0,55190
32312500
23 : 125 : 1--3136,585º 38’0,52170
32312800
-28 : 1--2,5141,003º 59’0,44250
32313000
27 : 130 : 1--2,5135,733º 40’0,48170
32313800
35 : 138 : 148 : 1 50 : 12133,783º 51’0,43150
32315000
46 : 150 : 163 : 166 : 11,5133,852º 47’0,36170
32316000
55 : 160 : 1--1,25133,402º 19’0,31170
32317500
69 : 175 : 1--1132,901º 51’0,27170


zur Gruppe


Impressum AGB Hilfe Datenschutzerklärung Index


MÄDLER on Facebook Facebook MÄDLER on Youtube YouTube MÄDLER on Twitter Twitter MÄDLER on Instagram Instagram MÄDLER on Xingk Xing MÄDLER on Linkedin LinkedIn