Werkstoff: Messing CuZn37Mn3Al2Si. Eingriffswinkel 15°. Bitte beachten: Diese Räder können nur mit Schnecken des gleichen Achsabstandes und mit dem gleichen Übersetzungsverhältnis zum Satz kombiniert werden. Für den Getriebebau ist nur die Stiftlochbohrung zu erweitern. Daher schnelle Montage möglich. Das angegebene Abriebsmoment gilt für eine Eingangsdrehzahl (an der Schneckenwelle) von 2800/min. Die Werte für den Wirkungsgrad sind Richtwerte, da Lagerung, Schmierung, Drehzahl und Einbau den Wirkungsgrad zusätzlich zum Steigungswinkel beeinflussen. * Rad mit Schraubenradverzahnung.

Service:

Katalogseite

Betriebs / Wartungsanleitung

Zusätzliche Informationen



Die angebotenen CAD-Daten, Abbildungen und technischen Zeichnungen werden mit größtmöglicher Sorgfalt erstellt.
Dennoch kann keine Gewährleistung für die Fehlerfreiheit und Genauigkeit dieser Daten übernommen werden.

( freibleibend aus Lagervorrat / kurzfristig lieferbar / Lieferzeit nach Vereinbarung. Bitte fragen Sie nach. )
Artikel Menge Übersetzung
[i]
ModulZähnezahlSchrägungswinkel
[]
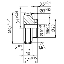
dA
[mm]
max. Drehmoment
[Nm]
Gewicht
[g]
32100200
2,5 : 1 *1,2525451546,94,4132
32100500
5 : 11,33023°4646,59,5150
32100700
7 : 11,52820°3248,89,7128
32100800
8,33 : 11,752519°4951,010,0150
32101000
10 : 11,43012°5047,09,5130
32101200
12 : 11,253613°5550,012,1150
32101500
15 : 11,53010°4050,010,7145
32101800
18 : 11,253608°4448,810,3145
32102000
20 : 10,756007°4948,08,3145
32102200
22 : 114406°2948,09,6138
32102300
23 : 122307°2952,010,5148
32102400
24 : 11,752405°0447,09,2125
32102500
25 : 11,752505°3548,59,6132
32102800
28 : 11,52804°2046,59,1125
32103000
30 : 11,53005°0748,810,3142
32103800
38 : 11,253805°0151,211,4158
32104500
45 : 114503°2348,09,5142
32105000
50 : 10,95003°0348,09,0143
32105500
55 : 10,95504°1252,010,4172
32106000
60 : 10,756002°3348,08,2144
32107000
70 : 10,77003°0752,09,0170
32107500
75 : 10,67502°0247,07,3143
32109000
90 : 10,59001°4148,06,4143
32110000
100 : 10,510002°2452,77,4175


zur Gruppe


Impressum AGB Hilfe Datenschutzerklärung Index


MÄDLER on Facebook Facebook MÄDLER on Youtube YouTube MÄDLER on Twitter Twitter MÄDLER on Instagram Instagram MÄDLER on Xingk Xing MÄDLER on Linkedin LinkedIn