Werkstoff: bis Modul 2: 11SMn30+SH (1.0715). Ab Modul 2,5: C45.
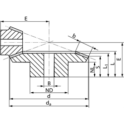
Verzahnungsqualität 8 analog DIN 3967 (ab Modul 2). Zähne ballig gefräst. Nicht gehärtet – nicht geläppt. Achswinkel = 90º.
Die Kegelräder laufen nur paarweise im gleichen Übersetzungsverhältnis und bei gleichem Modul.

Hinweis zur Bestellung: Diese Räder werden einzeln geliefert, nicht als Satz. Für einen Satz müssen zwei Räder bestellt werden. Bei Übersetzung 3,5:1 sind 2 Stück mit gleichem Modul, mit unterschiedlicher Zähnezahl in der entsprechenden Übersetzung erforderlich.

Service:

Katalogseite

Zusätzliche Informationen



Die angebotenen CAD-Daten, Abbildungen und technischen Zeichnungen werden mit größtmöglicher Sorgfalt erstellt.
Dennoch kann keine Gewährleistung für die Fehlerfreiheit und Genauigkeit dieser Daten übernommen werden.

( freibleibend aus Lagervorrat / kurzfristig lieferbar / Lieferzeit nach Vereinbarung. Bitte fragen Sie nach. )
Artikel Menge Übersetzung
[i]
ModulZähnezahlda
[mm]
d
[mm]
ND
[mm]
NL
[mm]
L1
[mm]
L
[mm]
S
[mm]
b
[mm]
BH7
[mm]
E
[mm]
zul. MD
[Nm]
Gewicht
[g]
passendes Gegenrad
[Artikel-Nr.]
36058400
3,5:1 (16/56)11618,716137,61616,68,48,75360,1271636058500
36058500
3,5:1 (16/56)15656,35630101416,714,68,78220,44513036058400
36078400
3,5:1 (16/56)1,51628,1241812,2242613,613,18550,454836078500
36078500
3,5:1 (16/56)1,55684,58450122427,123,813,115351,5863436078400
36108400
3,5:1 (16/56)21635,93220102526,812,51510680,998236108500
36108500
3,5:1 (16/56)256113,111260183135,531,91525463,47120036108400
36118400
3,5:1 (16/56)2,51644,9403016,53637,718,72010886,022036118500
36118500
3,5:1 (16/56)2,556141,414080183237,232,420255021,0230036118400
36148400
3,5:1 (16/56)31653,94840153940,616,8251510010,934036148500
36148500
3,5:1 (16/56)356169,716880183339,834,025305538,2310036148400
36188400
3,5:1 (16/56)41671,96450134244,616,1302012724,766036188500
36188500
3,5:1 (16/56)456226,322490204049,042,030307086,5690036188400


zur Gruppe


Impressum AGB Hilfe Datenschutzerklärung Index


MÄDLER on Facebook Facebook MÄDLER on Youtube YouTube MÄDLER on Twitter Twitter MÄDLER on Instagram Instagram MÄDLER on Xingk Xing MÄDLER on Linkedin LinkedIn