Werkstoff: Edelstahl 1.4401 (V4A)

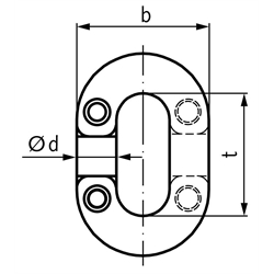
Zweiteilige Nietverbindungsglieder, sauber im Gesenk geschlagen und entgratet, einbaufertig, passend für Kette DIN 766.
Die beiden Hälften werden aufeinandergelegt und vernietet.
Diese Not-Kettenglieder sind nicht für Dauerbetrieb unter Last geeignet.

Service:

Katalogseite



Die angebotenen CAD-Daten, Abbildungen und technischen Zeichnungen werden mit größtmöglicher Sorgfalt erstellt.
Dennoch kann keine Gewährleistung für die Fehlerfreiheit und Genauigkeit dieser Daten übernommen werden.

( freibleibend aus Lagervorrat / kurzfristig lieferbar / Lieferzeit nach Vereinbarung. Bitte fragen Sie nach. )
Artikel Menge Nenngrößed ≈
[mm]
t ≈
[mm]
b ≈
[mm]
77099135
55,017,519,0
77099136
65,721,722,5
77099138
87,524,828,0
77099140
109,229,534,5


zur Gruppe


Impressum AGB Hilfe Datenschutzerklärung Index


MÄDLER on Facebook Facebook MÄDLER on Youtube YouTube MÄDLER on Twitter Twitter MÄDLER on Instagram Instagram MÄDLER on Xingk Xing MÄDLER on Linkedin LinkedIn