Werkstoff: Stahl C45, nicht gehärtet. Bohrungen vorgebohrt.

Mit * versehene Räder aus Grauguss GG25.

Mit 1) versehene Räder aus St52 mit eingeschweißter Nabe.

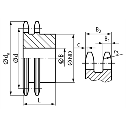
Allgemeine Abmessungen: B1 = 23,6 mm, B2 = 72 mm, c = 4 mm, r3 = 38 mm. Weitere Abmessungen siehe Tabelle.

Service:

Katalogseite



Die angebotenen CAD-Daten, Abbildungen und technischen Zeichnungen werden mit größtmöglicher Sorgfalt erstellt.
Dennoch kann keine Gewährleistung für die Fehlerfreiheit und Genauigkeit dieser Daten übernommen werden.

( freibleibend aus Lagervorrat / kurzfristig lieferbar / Lieferzeit nach Vereinbarung. Bitte fragen Sie nach. )
Artikel Menge Zähnezahlda
[mm]
d
[mm]
ND
[mm]
B
[mm]
L
[mm]
Gewicht
[kg]
Bemerkung
12950800
8113,299,565825952,97
12950900
9125,5111,407025954,10
12951000
10137,7123,298025955,33
12951100
11149,9135,2390251006,94
12951200
12162,1147,21102251008,63
12951300
13174,3159,201142510010,47
12951400
14186,5171,221282510012,58
12951500
15198,7183,251402510014,83
12951600
16210,9195,291402510016,62
12951700
17223,0207,351502510019,04
12951800
18235,2219,411602510021,63
12951900
19247,3231,481602510023,88
12952000
20259,5243,551602510026,13
12952100
21271,6255,631602510028,681)
12952200
22283,8267,721602510031,261)
12952300
23295,9279,801602510033,971)
12952400
24308,1291,901602510036,781)
12952500
25320,2303,991602510039,74
12952600
26332,4316,091603010042,701)
12952700
27344,5328,191603010045,921)
12952800
28356,7340,291603010049,271)
12952900
29368,8352,391603010052,751)
12953000
30380,9364,491603010056,42
12953100
31393,1376,601703010060,771)
12953200
32405,2388,711703010064,641)
12953300
33 417,4400,821703010068,651)
12953400
34429,5412,931703010072,771)
12953500
35441,6425,041703010077,031)
12953800
38478,0461,371703010090,581)
12953800G
38478,0461,371804510042,20*
12954000
40502,3485,6017030100100,401)
12954500
45563,0546,1918040133133,241)
12954500G
45563,0546,191804510060,00*
12955700
57708,6691,6218040133210,321)
12955700G
57708,6691,622005511072,70*
12957600
76939,0921,9620040133373,201)
12957600G
76939,0921,9620055120125,00*


zur Gruppe


Impressum AGB Hilfe Datenschutzerklärung Index


MÄDLER on Facebook Facebook MÄDLER on Youtube YouTube MÄDLER on Twitter Twitter MÄDLER on Instagram Instagram MÄDLER on Xingk Xing MÄDLER on Linkedin LinkedIn