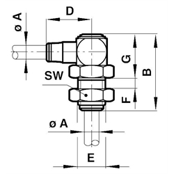
Werkstoff: Messing vernickelt. Geeignet für Schaltschrankmontage, max. Wandstärke ergibt sich aus MaßF. Anschluss Kunststoffrohr/Kunststoffrohr.

Service:

Katalogseite



Die angebotenen CAD-Daten, Abbildungen und technischen Zeichnungen werden mit größtmöglicher Sorgfalt erstellt.
Dennoch kann keine Gewährleistung für die Fehlerfreiheit und Genauigkeit dieser Daten übernommen werden.

( freibleibend aus Lagervorrat / kurzfristig lieferbar / Lieferzeit nach Vereinbarung. Bitte fragen Sie nach. )
Artikel Menge Ø A
[mm]
B
[mm]
SW
[mm]
D
[mm]
EF
[mm]
G
[mm]
Gewicht
[g]
86220600
640,01924,2M14x1,5724,576
86220800
845,22226,7M16x1,5730,0124
86221000
1049,22731,7M22x1,5931,0165


zur Gruppe


Impressum AGB Hilfe Datenschutzerklärung Index


MÄDLER on Facebook Facebook MÄDLER on Youtube YouTube MÄDLER on Twitter Twitter MÄDLER on Instagram Instagram MÄDLER on Xingk Xing MÄDLER on Linkedin LinkedIn