Werkstoff: Aluminium, rot eloxiert ähnlich RAL 3003, Schrauben Edelstahl A2-70.

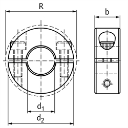
Merkmale: Beschädigen nicht die Welle, größere Haltekräfte als Stellringe, gleichmäßige Verteilung der Klemmkräfte, einfache Neujustierung, absolut präzise Bohrungen. Die Gewinde der Schrauben DIN 912 sind mit einer Polyamidschicht überzogen. Toleranz b: +0,08mm -0,25mm. Temperaturbereich: -40°C bis +175°C.

Service:

Katalogseite



Die angebotenen CAD-Daten, Abbildungen und technischen Zeichnungen werden mit größtmöglicher Sorgfalt erstellt.
Dennoch kann keine Gewährleistung für die Fehlerfreiheit und Genauigkeit dieser Daten übernommen werden.

( freibleibend aus Lagervorrat / kurzfristig lieferbar / Lieferzeit nach Vereinbarung. Bitte fragen Sie nach. )
Artikel Menge d1
[mm]
d2
[mm]
R
[mm]
b
[mm]
Schrauben
[DIN 912]
Gewicht
[g]
62367408R
81822,49M3 x 84
62367410R
102426,09M3 x 88
62367412R
122831,811M4 x 1213
62367415R
153439,413M5 x 1423
62367416R
163439,413M5 x 1422
62367420R
204046,415M6 x 1635
62367425R
254550,815M6 x 1641
62367430R
305458,615M6 x 1859


zur Gruppe


Impressum AGB Hilfe Datenschutzerklärung Index


MÄDLER on Facebook Facebook MÄDLER on Youtube YouTube MÄDLER on Twitter Twitter MÄDLER on Instagram Instagram MÄDLER on Xingk Xing MÄDLER on Linkedin LinkedIn