Diese Klemmkörper-Freiläufe mit integrierter Kugellagerung in Premiumqualität sind als Schaltfreilauf, Rücklaufsperre oder Überholkupplung einsetzbar. Sie werden in kundenseitigen Gehäusen eingebaut.


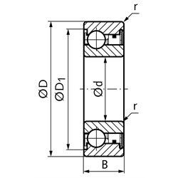
Ausführung BB: Standardfreiläufe ohne Passfedernuten. Auf der Klemmkörperseite mit einer Z-Scheibe abgedichtet. Auf der Lagerseite schließt der Freilauf mit dem Lagerkäfig ab. Die Ausführung BB hat die gleichen Abmessungen wie die Kugellagerreihe 62.

Schmierung: Die Freiläufe sind für normale Betriebsbedingungen mit Fett gefüllt und wartungsfrei. Verwenden Sie keine Fette oder Schmiermittel mit EP-Additiven.

Temperaturbereich: -30°C bis + 100°C.

Weitere Ausführungen auf Anfrage.

2) Das Maß B entspricht nicht dem Kugellager 6208 mit den Maßen 40 x 80 x 18mm.

Service:

Katalogseite

Zusätzliche Informationen



Die angebotenen CAD-Daten, Abbildungen und technischen Zeichnungen werden mit größtmöglicher Sorgfalt erstellt.
Dennoch kann keine Gewährleistung für die Fehlerfreiheit und Genauigkeit dieser Daten übernommen werden.

( freibleibend aus Lagervorrat / kurzfristig lieferbar / Lieferzeit nach Vereinbarung. Bitte fragen Sie nach. )
Artikel Menge d
[mm]
D
[mm]
D1
[mm]
B
[mm]
r
[mm]
Drehmoment
[Nm]
Schleppmoment
[Nm]
max. Überholdrehzahl
Innenring
[min-1]
max. Überholdrehzahl
Außenring
[min-1]
Tragzahlen
radial dyn. C
[N]
Tragzahlen
radial stat. C0
[N]
Gewicht
[g]
BB15
153532,6110,6290,010360020005950323050
BB17
174036,1120,6430,010350019007000370080
BB20
204741,7141,0610,0143000160085004900120
BB25
255247,1151,0780,01725001400107006300150
BB30
306256,6161,01400,03020001100119007900230
BB35
357264,0171,11730,03418001000135009700320
BB40
408071,022 2)1,12600,04018009001450011700400


zur Gruppe


Impressum AGB Hilfe Datenschutzerklärung Index


MÄDLER on Facebook Facebook MÄDLER on Youtube YouTube MÄDLER on Twitter Twitter MÄDLER on Instagram Instagram MÄDLER on Xingk Xing MÄDLER on Linkedin LinkedIn