Werkstoff: Gehäuse Sinterstahl, Hebelarm St52.

Diese Spannelemente eignen sich zum Spannen von sehr langen Ketten- oder Riementrieben. Der Leertrumm wird s-förmig durch die gefügten Spannräder oder -rollen geführt und der Hebelarm arbeitet dann wie eine Wippe. Es wird somit das dreifache an Längung gegenüber dem herkömmlichen Spanner kompensiert.

Service:

Katalogseite

Zusätzliche Informationen

CAD Daten



Die angebotenen CAD-Daten, Abbildungen und technischen Zeichnungen werden mit größtmöglicher Sorgfalt erstellt.
Dennoch kann keine Gewährleistung für die Fehlerfreiheit und Genauigkeit dieser Daten übernommen werden.

Auf Lager: Ja

Artikelnr.: 14080209

Staffelpreis in EUR pro STK:

1
172

Größe2
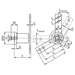
Fmax. bei normal [N]175
Fmax. bei hart [N]220
Smax. bei normal [mm]50
Smax. bei hart [mm]40
D [mm]58
E [mm]78 +1,5 -0,5
G [mm]6
H [mm]M10
J1 [mm]100
J2 [mm]80
K [mm]30
L [mm]115
M [mm]30
N [mm]35
O [mm]10,5
P [mm]8,5
Q [mm]25,3
T [mm]10,5
MA [Nm]49
Gewicht [kg]0,75

Zurück zur Übersicht


Impressum AGB Hilfe Datenschutzerklärung Index


MÄDLER on Facebook Facebook MÄDLER on Youtube YouTube MÄDLER on Twitter Twitter MÄDLER on Instagram Instagram MÄDLER on Xingk Xing MÄDLER on Linkedin LinkedIn