Werkstoff: Gehäuse Sinterstahl bzw. GG20. Hebelarm St52. Kettenrad aus Stahl.

Das Spannelement, ein kontinuierlich spannendes Torsionselement, verlängert die Lebensdauer von Ketten- und Riementrieben um mindestens 30% und reduziert drastisch Unterhalts- und Reparaturarbeiten. Die einmalige Funktionsweise dieser Feder bietet einen langen Spannweg, zumal der Hebelarm in beiden Richtungen bis zu 30 ° vorgespannt werden kann. Die permanente Torsionskraft kompensiert nicht nur automatisch die Kettenlängung, das gummigelagerte Element wirkt auch als Dämpfer von Vibrationen und Schlägen im gesamten Antrieb. Weitere Vorteile: Kettenspur einstellbar, Gummidämpfung, im Winkelbereich von 360 ° einstellbar, Spanndruck stufenlos von "normal" bis" hart" einstellbar. Für beide Spannrichtungen geeignet.

Service:

Katalogseite

Zusätzliche Informationen

CAD Daten



Die angebotenen CAD-Daten, Abbildungen und technischen Zeichnungen werden mit größtmöglicher Sorgfalt erstellt.
Dennoch kann keine Gewährleistung für die Fehlerfreiheit und Genauigkeit dieser Daten übernommen werden.

Auf Lager: Ja

Artikelnr.: 14050500

Staffelpreis in EUR pro STK:

1
45,7

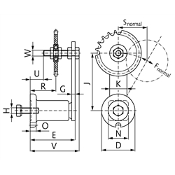
DIN / ISO-Nr. 08 B-1
Teilung [Zoll]1/2 x 5/16
Zähnezahl15
Teilkreis-Ø [mm]61,08
Spannelement [Größe]2
Fmax. bei normal [N]350
Fmax. bei hart [N]440
S max. bei normal [mm]50
S max. bei hart [mm]40
D [mm]58
E [mm]79+1,5-0,5
G [mm]7
H [mm]M 10
J [mm]100
K [mm]30
N [mm]35
O [mm]10,5
R [mm]34-55
U [mm]23
V [mm]85
W [mm]M 10
Gewicht [kg]0,80

Zurück zur Übersicht


Impressum AGB Hilfe Datenschutzerklärung Index


MÄDLER on Facebook Facebook MÄDLER on Youtube YouTube MÄDLER on Twitter Twitter MÄDLER on Instagram Instagram MÄDLER on Xingk Xing MÄDLER on Linkedin LinkedIn